ÌǹûÅɶԹÙÍø

PRODUCTS

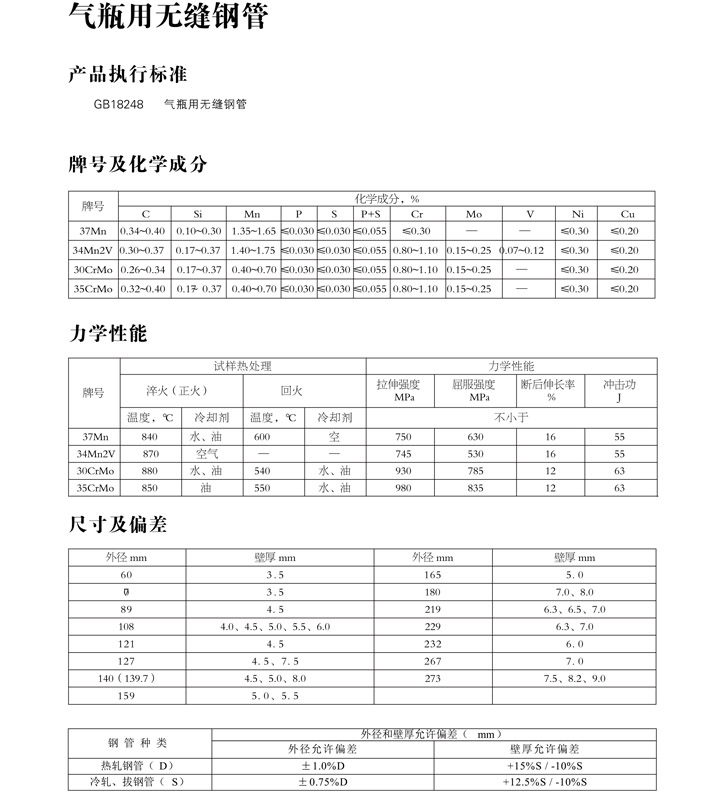
ÆøÆ¿¹Ü
APIÓÍÌ×¹Ü ·ÇAPIÓ;®¹Ü ¹ÜÏß¹Ü ³¬Ï¸ÃÜ¸Ö¹Ü ÒºÑ¹Ö§Öù¹Ü Á÷Ìå¹Ü ÆøÆ¿¹Ü ¹øÂ¯¹Ü